Techmation

テクメイション通信Vol.023

あけましておめでとうございます。株式会社テクメイションです。

今年も流体制御をテーマにお役立ち情報をお届けします。

1年間どうぞよろしくお願いいたします。

(本日の担当:山本)

今回のもくじ

1. 東日本営業1グループ紹介

2.【技術情報】エアアクチュエーター式圧力調整機のメリット

3. テクメイションの紹介

4. 編集後記

東日本営業1グループ紹介

いつもお世話になっております。

私ども東日本営業1グループは関東甲信越西部エリアのお客様を井関、落石、山本、大川原の4名で担当しています。

  • 井関:入社26年のベテランです。群馬・長野・新潟エリアを担当しています。
  • 落石:入社16年です。前職では金属フレキやゴムの可撓(かとう)管を扱っていました。神奈川西部・静岡東部エリアを担当しています。
  • 山本:異業種から転職して早11年。東京・埼玉エリアを担当しています。
  • 大川原:入社6年目ですが、長く研究職に就いていたため実際の装置の扱いには詳しいです。神奈川東部エリアを担当しています。

このメールマガジンは私たち4名が日々の営業活動でお客様にご説明していることを中心に、自分たちで執筆・制作しています。

今後ともよろしくお願いいたします。

エアアクチュエーター式圧力調整器のメリット

以前、圧力調整器には3種類の駆動(ロード)方式があることをご説明しました。

Vol.004 3種類の駆動(ロード)方式

ドム式とエアアクチュエーター式は気体を使って圧力を調整します。
エア駆動式圧力調整器にはいくつかメリットがありますが、今回はエアアクチュエータ式に話を絞り、ふたつのメリットをご紹介いたします。

圧力設定が簡単である

スプリング式(ハンドノブ式)の製品は圧力設定をするために、ハンドル操作をする必要があります。
頻繁に設定圧力の変更をする場合、特に高圧製品は内部のスプリングが硬いためにどうしてもハンドル操作が重くなり少し大変です。
調整レンジの高い方に合わせるにはハンドノブを何回転もさせる必要があるのでさらに大変です。

エア駆動式の製品はアクチュエーターへ供給する駆動用ガスの圧力を調整することによって設定圧力の変更ができます。
※駆動用ガスの圧力を調整するために別途減圧弁(パイロット減圧弁)が必要です

TESCOM製品は設定圧力100MPa超の超高圧製品でも、最大0.55MPa程度の駆動用ガスで設定できるようにアクチュエーター比率を設計しています。
そのため、パイロット減圧弁はハンドル操作の軽い低圧用減圧弁で十分です。これによって簡単な圧力設定が可能になります。

リモート操作が可能になる

駆動用ガスの配管を伸ばせばリモートで操作が可能になり、危険な環境でも圧力設定が可能です。
ただし配管が長すぎると応答性が悪くなりますので、使用頻度が多いアプリケーションでは注意が必要です。

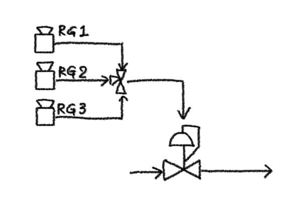
使用例

複数の決まった圧力にルーチンに設定をするような用途があるとします。
スプリング式の製品の場合、毎回決まった圧力に設定するには都度ハンドル操作が必要ですが、エアアクチュエーター式調整器を使用して下図のようなフローにすれば簡単に調圧が可能です。

フロー図

パイロット減圧弁RG1,2,3にはあらかじめプロセスラインが決められた圧力になるように計装エア圧を設定しておきます。
そして切換弁や電磁弁でアクチュエーターに供給するラインを切り替えられるようにしておけば、毎回素早くかつ正確な圧力に設定することが可能になります。


TESCOMは大半の製品シリーズにエアロードのモデルをご用意しています。
今までスプリングロードの製品しか使ったことのないお客様もぜひ一度ご検討してみてください。

テクメイションの紹介

弊社は主に海外製の流体制御機器を扱っている専門輸入商社です。
日本にはないユニークな製品をご案内することで、お客様の力になりたいと考えています。

下記は主な取扱製品です

  • 圧力調整器 - 米TESCOM
  • バルブ・継手 - 米HOKE
  • 超高圧継手 - 米BuTech、独MAXIMATOR
  • 焼結金属フィルター - 米mott
  • 圧力スイッチ・差圧モニター - 米UE/Precision Sensors
 

詳しくは弊社のホームページをご覧ください。

テクメイションの取扱製品を見る

編集後記

今回のメールマガジンはいかがでしたか。

今回ご紹介したパイロット減圧弁を複数用意して切り替える方法はお手軽に自動化できる方法としてオススメです。
ただし流量や容積が常に一定条件下でないとうまくいかないこともあります。
他にもいろいろな方法がありますので、自動化に興味がありましたらお気軽にお問い合わせください。

次回もよろしくお願いいたします。

発行元:株式会社テクメイション 東日本営業1グループ
〒104-0041 東京都中央区新富1-6-7
TEL:03-5566-6551 FAX:03-5566-6556
https://techmation.co.jp

※ このメールアドレスは配信専用です。お問い合わせは下記のボタン、または各担当営業者のアドレスにお願いいたします。

ホームページから問い合わせる

※ このメールマガジンは弊社にお問い合わせいただいた方、展示会等で名刺交換させていただいた方にお送りしています。今後このようなメールが不要の方は下記の「配信停止」をクリックしてください。

【配信停止】:即座に配信停止されます
【配信管理】配信の再開が可能です

← トップページに戻る